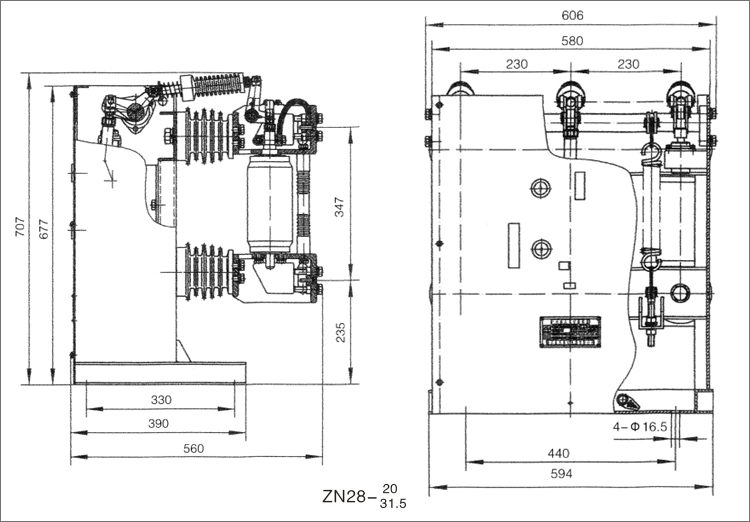
概述
ZN28-12系列真空断路器为额定电压12kV,三相交流50Hz的高压户内开关设备。产品符合GB1984-89标准,该产品总体结构为开关本体与操作机构一体安装或开关本体与操作机构分离安装两种形式。一体式结构即为ZN28-12基本型;分体式结构为ZN28A-12型,适应于各种固定式开关柜,如GG-1A(Z)XGN2A10(Z)等。
该产品可配用CD17、CD10A型直流电磁操动机构和CT17、CT19型弹簧储能式操动机构。
·技术参数
| 序号 | 名称 | 单位 | 数据 | ||||
| 20kA | 25kA | 31.5kA | 40kA | ||||
| 1 | 额定电压 | kV | 12 | ||||
| 2 | 额定电流 | A | 630,100,1250 | 1250,1600 | 1250,1600,2000,2500 | 1600,2500,3150 | |
| 3 | 额定短路开断电流 | kA | 20 | 25 | 31.5 | 40 | |
| 4 | 额定短路开合电流(峰值) | kA | 50 | 63 | 80 | 100 | |
| 5 | 额定峰值耐受电流 | kA | 50 | 63 | 80 | 100 | |
| 6 | 4S额定短时耐受电流 | kA | 20 | 25 | 31.5 | 40 | |
| 7 | 额定绝缘水平 | 工频耐压(额定开断前后) | kV | 42(断口48) | |||
| 冲击耐压(额定开断前后) | 75(断口84) | ||||||
| 8 | 额定操作顺序 | 分-0.5S-合分-180 S-合分 | |||||
| 9 | 机械寿命 | 次 | 10000 | ||||
| 10 | 额定短路开断电流开断次数 | 次 | 30 | 20 | |||
| 11 | 操动机构额定合闸电压(直流) | V | 110,220 | 220 | |||
| 12 | 操动机构额定合闸电流(直流) | A | 71 | 128 | |||
| 13 | 操动机构额定分闸电压(直流) | V | 110,220 | ||||
| 14 | 操动机构额定分闸电流(直流) | A | 3.0,1.5 | ||||
| 15 | 触头开距 | mm | 11±1 | ||||
| 16 | 超行程(触头弹簧压缩长度) | mm | 4±1 | ||||
| 17 | 三相分、合闸不同期性 | ms | ≤2 | ||||
| 18 | 触头合闸弹跳时间 | ms | ≤2 | ||||
| 19 | 平均分闸速度(不包括油缓冲器) | m/s | 1.2±0.3 | ||||
| 20 | 平均合闸速度 | m/s | 0.6±0.2 | ||||
| 21 | 分闸时间 | 最高操作电压下 | s | ≤0.06 | |||
| 最低操作电压下 | ≤0.08 | ||||||
| 22 | 合闸时间 | s | ≤0.2 | ||||
| 23 | 各相主回路电阻 | μΩ | ≤40 | ≤20 | |||
| 24 | 动静触头允许磨擦累积厚度 | mm | 3 | ||||
| 25 | 油缓冲器缓冲行程 | mm | 10 | ||||