产品中心

PRODUCT

产品中心

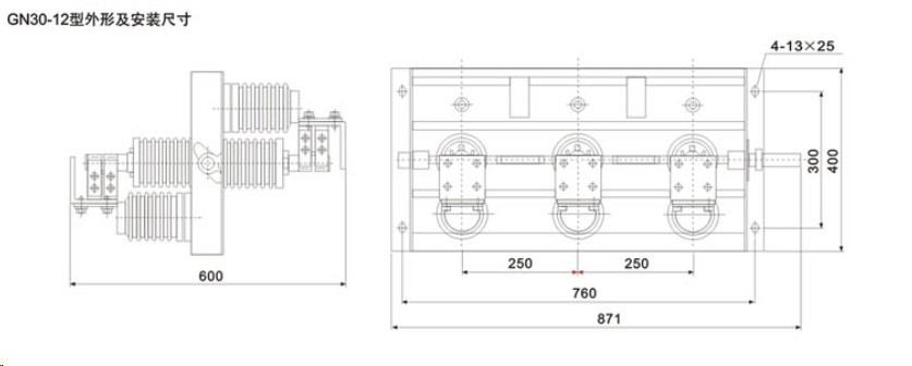
GN30-12系列户内高压隔离开关

如果您有任何问题可以联系我们!
联系我们

电话:18958978000

扫一扫,加我为朋友
  • 详细信息
详细信息

概述

GN30-12型旋转式户内高压隔离开关是一种旋转触刀式的新型隔离开关,主要结构是在三相共底架的上、下两个平面上,固定两组绝缘子及触头,通过旋转触刀,从而实现开关的分合闸。

GN30-12D型开关是在GN30-12型开关基础下增加带接地刀的形式,可满足不同电力系统的需要。本产品设计紧凑、占用空间小、绝缘能力强。易于安装调整,其性能符合GB1985-89《交流高压隔离开关和接地开关》的要求,适用于额定电压12千伏交流50Hz及下户内电力系统中,作为在有电压无负载情况下,分合电路之用。可与高压开关柜配套使用,也可单独使用。

使用环境条件

海拔高度不超过1000m

周围空气温度:上限+40℃;下限-10;

相对湿度:日平均值不大于95%;月平均值不大于90%;

地震烈度不超过8度;

无严重粉尘、化学腐蚀性和爆炸性物质的场所;

无经常性剧烈振动的场所在地。

技术参数
项目 GN3012/400-12.5 GN30-12/630-20 GN30-12/1000-31.5 GN30-12/1250-31.5
GN30-12D/400-12.5 GN30-12D/630-20 GN30-12D/1000-31.5 GN30-12D/1250-31.5
额定电压(kV) 12
最高电压(kV) 12.7
额定电流(kA) 400 630 1000 1250
热稳定电流(kA) 12.5 20 31.5
热稳定时间(S) 4
动稳定电流(kA) 31.5 50 80
额定绝缘水平 雷电冲击电压(kV) 相间、相地75、断口85
1min工频耐压(kV) 相间、相地42、断口48
相关产品
联系我们
扫一扫,加我为朋友

在线
QQ

微信
咨询

扫一扫,加我为朋友
扫一扫,加我为朋友

服务
热线

18958978000
服务热线

客服
邮箱

1057382519@qq.com
客服邮箱